MPW101

In-wall Mounting Plate for Single-station Non-refrigerated Fountains

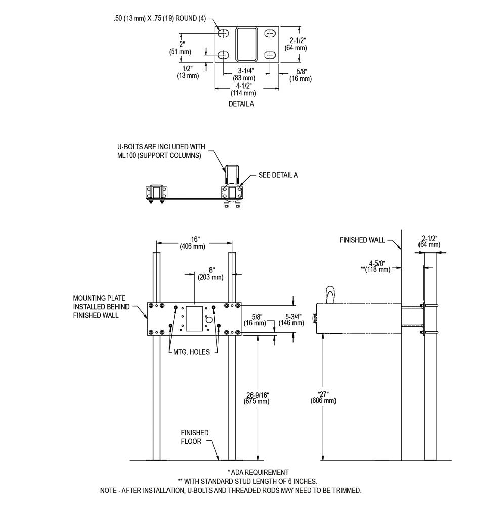
Type Mounting Options
Power No Electrical Required
Material Galvanized Steel
Finish Black
Included with Product Mounting Plate
Country Of Origin USA
Dimensions L: 19-7/8"
W: 1/4"
H: 7"
Shipping Dimensions L: 25"
W: 12-1/2"
H: 1"
Shipping Weight 9.9 LBS
Note For use with single-station non-refrigerated fountains.

We carry a range of mounting frames, plates and other installation support systems to properly position and enhance our refrigerated and non-refrigerated bottle filling stations, water coolers, drinking fountains and chillers of all configurations.

  • Universal design provides extra support when mounting on-wall single-station models
  • Plate can be installed directly to studs or in conjunction with ML100 mounting legs (optional accessory sold separately)
  • Constructed of heavy-gauge steel supporting up to 500 lbs
  • Secures directly to a variety of load-bearing surfaces
  • Adjustable height setting allows for adult or child ADA installation
  • Built in the USA